
應用于汽車衡、軌道衡、配料。
Car weighter,orbit weighter,batching weighing.
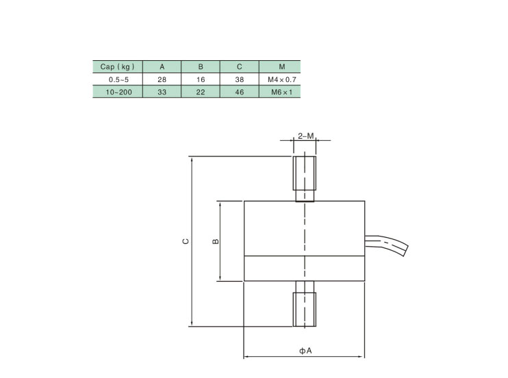
| 技術參數Technical Parameter | |
| 額定載荷Rated Load | 50-200kg |
| 靈敏度Sensitivity | 2.0000±0.002mV/V |
| 綜合誤差Total Error | ±0.1%F.S |
| 蠕變Creep(30minutes) | ±0.02%F.S |
| 推薦工作電壓Recommended Excitation Voltage | 5V~18V(DC) |
| 最大工作電壓Maximum Excitation Voltage | 24V(AC or DC) |
| 零點平衡Zero Balance | ±1%F.S |
| 輸入阻抗Input Impedance | 775±10Ω |
| 輸出阻抗Output Impedance | 700±5Ω |
| 絕緣阻抗Insulation Impedance | ≥1000MΩ |
| 安全過載率Safe Overload | 150%F.S |
| 極限過載率Ultimate Overload | 200%F.S |
| 工作溫度范圍Operating Temperature Range | (-30~+70)℃ |
| 溫度補償范圍Compensated Temperature Range | (-20~+60)℃ |
| 輸出溫度影響Temperature Effect On Load | ±0.02%F.S/10℃ |
| 零點溫度影響Temperature Effect On Zero | ±0.02%F.S/10℃ |
| 材質Construction | 合金鋼Alloy Steel/鋁合金Aluminum |
| 防護等級Protection Class | IP66 |
| 引用標準Citation | GB/T7551-2008/OIML R60 |
| 接線方式Mode of Connection | 輸入+E:紅?Input+ E:Red 輸出-S:白?Output- S:White 輸入-E:黑?Input- E:Black 輸出+S:綠?Output+ S:Green |